Основной составляющей электрической системы любого современного автомобиля, в том числе и Hyundai Accent, является генератор. Он играет важную роль в использовании автомобиля, отвечая за преобразование механической энергии в электрическую. Работа генератора осуществляется в тесной паре с двигателем, потому что без его поступающей энергии генератор просто не будет работать. Для старта двигателя каждый автомобиль оснащен аккумулятором.


Незаменимость генератора заключается в том, что он участвует в обеспечении электроэнергией всех электронных составляющих автомобиля и подпитывает аккумулятор, чтобы он всегда был в рабочем состоянии на момент использования.
В автомобиле Hyundai Accent в заводской сборке установлен генератор для бензиновых двигателей с приводным поликлиновым ремнем. Такой тип позволяет вести работу на более высоких оборотах. Он вырабатывает напряжение в 12В и номинальную силу тока в 75 А или 90 А.
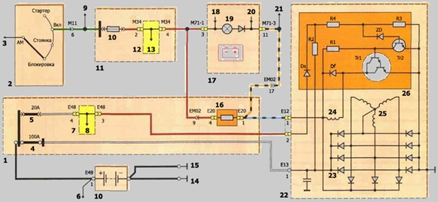
Это говорит о том, что повышен ток относительно других похожих экземпляров модельного ряда, у который данный показатель начинается с 40 А. Схема подключения генератора на Хендай Акцент выглядит следующим образом:


Как и всем деталям механизма в автомобиле, генератору свойственно выходить из строя. При определенных поломках обойтись простым ремонтом не удастся. Поэтому придется подумать о приобретении нового генератора.


В Hyundai Accent заводом производителем установлен генератор с артикулом 3730022020. Стоимость его составляет от 5000 рублей до 7000 рублей. В зависимости от производителя цена будет варьироваться.
Однако, на данный момент существует несколько аналогов генератора для Хендай Акцент или модели Таганрогской сборки – ТАГАЗ. В таблице представлено несколько различных генераторов для данной модели.
| Генератор | Артикул | Стоимость, в рублях |
|---|---|---|
| Mando | 3730022600 | 3000 |
| Krauf | ALA1789UX | 6000 |
| VALEO | 603051 | 3700 |
| BOSCH | 0986049191 | 7000 |
Это далеко не все генераторы, которые можно найти в обычных и интернет магазинах, демонстрирующих широкий выбор моделей различной стоимости и надежности.
Причины поломки
Не всегда поломка генератора требует моментальной его замены. Возможно, достаточно устранить вышедший из строя элемент, чтобы он снова начал работать.
Но для этого нужно определить тип поломки, которая может быть как механического (разрушение какой-либо детали, не относящейся к электрической составляющей), так и электрического (проблема с проводами, замыкание, перегорание и т. д.) происхождения:
- износился или повредился шкив, токосъемные щетки, коллектор, подшипник;


- повреждение проводов зарядной цепи, диодного моста;
- вышел из строя регулятор напряжения;
- замкнули или окислились витки статорной обмотки;
- износился или порвался поликлиновый ремень.


Такие проблемы приводят к выходу из строя не только самого генератора, но двигателя и аккумулятора. Лучшим вариантом станет периодический автомобильный осмотр на выявление неисправностей.
Тогда ремонт производится быстро и относительно недорого. При неустранимой поломке придется полностью заменить генератор. Но достаточно знающий и способный автомобилист может справиться с данной задачей самостоятельно.
Замена генератора
В первую очередь, прежде чем снять генератор с автомобиля, стоит найти видео-, фото- или текстовое руководство по данному вопросу. Первый вариант, конечно, предпочтительнее: визуально показано, как заменить генератор на Хендай Акцент. Но и в отсутствии такой возможности в данной операции нет ничего сложного.
Важно подготовить рабочее место – стол, где будут разложены поэтапно все детали (болты и гайки, провода и т.д.), отсоединенные в процессе ремонта. Это будет своеобразной помощью, когда весь процесс придется осуществлять в обратном порядке, устанавливая новый генератор.
Далее необходимо определить, как будет производиться демонтаж: сверху или снизу. Два этих варианта отличаются первым шагом. Если все работы будут производиться сверху, тогда первоочередным будет отсоединение вентилятора.
При произведении ремонта через дно автомобиля, путь к генератору будет преграждать масляный фильтр, который также необходимо демонтировать. Дальнейшая процедура будет выглядеть одинаково как сверху, так и снизу.
- Первым шагом следует снять клеммы с аккумулятора, для того, чтобы обеспечить безопасность проводимых работ. В креплении клеммы силового кабеля есть болт, который также необходимо открутить. При этом нельзя забывать раскладывать все по порядку. Поэтому, предпочтительнее работать сверху.


- Затем отключается кабель с проводами от генератора.


- Затем откручивается болт, который удерживает генератор на планке натяжения ремня. Тем самым, происходит ослабления приводного ремня. Только тогда можно отодвинуть генератор в сторону и снять ремень.


- Последний болт, на котором держится генератор, также откручивается.
- Теперь старый генератор можно снять, а новый установить на его место. Весь процесс повторяется в обратном порядке: прикручивается болт; надевается ремень; генератор поворачивается в правильное положение; прикручивается болт с планки; клеммы крепятся к аккумулятору.


На последнем этапе нужно подключить все провода к своим разъемам.


Остается только лишь проверить работоспособность генератора и завести двигатель. Если при его работе генератор не издает никаких подозрительных шумов, то все сделано правильно. В противном случае, проблема либо в установке, либо в исправности самого генератора.